Dom opieki dla osób starszych
Kod: K-143
| W podanej cenie oferujemy 3 kopie projektu architektoniczno-budowlanego potrzebnego do uzyskania pozwolenia na budowę oraz 3 kopie projektu technicznego niezbędnego do prowadzenia budowy sprawdź >> | |
| Parametry projektu zobacz >> | |
| Projekt wysyłamy w terminie 14 dni roboczych od daty złożenia zamówienia | |
| Istnieje również możliwość zakupu wersji elektronicznej (w formacie dwg) projektu architektoniczno - budowlanego skontaktuj się >> | |
| Odbicie lustrzane projektu zobacz >> | |
| Koszty budowy zobacz >> | |
| Forum dotyczące tego projektu zobacz >> |
| Zmiany istotne i nieistotne, które możesz wprowadzić w tym projekcie sprawdź >> | |
| Adaptacja i pozwolenie na budowę zobacz >> | |
| Jeśli masz pytanie |
Prezentacja projektu
Opis projektu
Powierzchnia użytkowa: 1417,35 m2. Budynek dwukondygnacyjny, bez podpiwniczenia, pełniący funkcję usługową - zakwaterowania turystyczno sportowego przeznaczonego w szczególności dla osób starszych. W budynku przewiduje się część noclegową, gastronomiczną i opiekuńczą. Obiekt jest przystosowany dla osób niepełnosprawnych.
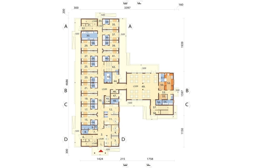
Rzut parteru
Parter: 718,24 m2
1. Wiatrołap 3,41 m2
2. Hall / recepcja 29,42 m2
3. Zaplecze recepcji 8,80 m2
4. Biuro 9,50 m2
5. Klatka schodowa 12,33 m2
6. Wiatrołap 3,54 m2
7. Korytarz 4,92 m2
8. WC damskie / dla niepełnospr. 3,62 m2
9. WC męskie 6,49 m2
10. Korytarz 94,85 m2
11. Dyżurka pielęgniarska 18,26 m2
12. Gabinet zabiegowy 18,55 m2
13. Pom. gospodarcze 1,37 m2
14. Łazienka 4,07 m2
15. Pokój 15,73 m2
16. Łazienka 4,07 m2
17. Pokój 15,73 m2
18. Łazienka 4,07 m2
19. Pokój 15,83 m2
20. Łazienka 4,25 m2
21. Pokój 16,11 m2
22. Łazienka 4,25 m2
23. Pokój 16,11 m2
24. Łazienka 4,07 m2
25. Pokój 15,83 m2
26. Łazienka 4,07 m2
27. Pokój 15,84 m2
28. Łazienka 4,07 m2
29. Pokój 15,84 m2
30. Pralnia podręczna 17,75 m2
31. Klatka schodowa 12,33 m2
32. Wiatrołap 3,54 m2
33. Wiatrołap 2,72 m2
34. Łazienka 4,12 m2
35. Pokój 15,84 m2
36. Łazienka 4,05 m2
37. Pokój 15,84 m2
38. Łazienka 4,05 m2
39. Pokój 15,73 m2
40. Łazienka 4,05 m2
41. Pokój 15,73 m2
42. Kaplica 18,51 m2
43. Łazienka 10,19 m2
44. Pom. terapii / rehabilitacji 8,42 m2
45. Szyb windy
46. Magazyn bielizny 3,43 m2
47. Pom. tech. elektryczne 4,71 m2
48. Pom. tech. sanitarne 4,71 m2
49. Sala jadalna 105,59 m2
50. Rozdzielnia kelnerska 5,48 m2
51. Zmywalnia naczyń 5,46 m2
52. Kuchnia 17,51 m2
53. Korytarz 10,25 m2
54. Magazyn 6,52 m2
55. Szatnia personelu kuchni 5,17 m2
56. Łazienka 3,75 m2
57. Klatka schodowa 7,37 m2
58. Wiatrołap 4,93 m2
Rzut poddasza
Poddasze: 699,11 / 732,24 m2
1. Klatka schodowa 16,76 m2
2. Korytarz 79,56 m2
3. Pok. wypoczynkowy personelu 6,34 m2
4. Łazienka 4,03 m2
5. Pokój 15,07 / 15,82 m2
6. Łazienka 4,03 m2
7. Pokój 15,07 / 15,82 m2
8. Łazienka 4,03 m2
9. Pokój 12,42 / 12,90 m2
10. Łazienka 4,03 m2
11. Pokój 14,96 / 15,70 m2
12. Łazienka 4,03 m2
13. Pokój 15,07 / 15,82 m2
14. Łazienka 4,09 m2
15. Pokój 15,03 / 15,77 m2
16. Łazienka 4,04 m2
17. Pokój 14,96 / 15,70 m2
18. Łazienka 4,04 m2
19. Pokój 15,05 / 15,79 m2
20. Łazienka 4,25 m2
21. Pokój 15,28 / 16,06 m2
22. Łazienka 4,25 m2
23. Pokój 15,28 / 16,06 m2
24. Łazienka 4,03 m2
25. Pokój 15,05 / 15,79 m2
26. Łazienka 4,03 m2
27. Pokój 15,07 / 15,81 m2
28. Łazienka 4,03 m2
29. Pokój 15,07 / 15,81 m2
30. Łazienka 4,03 m2
31. Pokój 12,52 / 13.0 m2
32. Klatka schodowa 16,76 m2
33. Kuchnia pomocnicza 6,34 m2
34. Łazienka 4,03 m2
35. Pokój 15,06 / 15,80 m2
36. Łazienka 4,03 m2
37. Pokój 15,06 / 15,80 m2
38. Łazienka 4,03 m2
39. Pokój 14,96 / 15,70 m2
40. Łazienka 4,03 m2
41. Pokój 14,96 / 15,70 m2
42. Łazienka 4,03 m2
43. Pokój 15,06 / 15,80 m2
44. Łazienka 10,25 m2
45. Szyb windy
46. Szatnia personelu 8,01 / 9,89 m2
47. WC 2,25 / 2,50 m2
48. Przedsionek p. pożarowy 11,84 m2
49. Pom. gospodarcze 7,91 / 9,77 m2
50. Świetlica 133,02 / 145,24 m2
51. Korytarz 4,04 / 5,01 m2
52. Przedsionek 7,10 m2
53. WC męskie 3,61 / 3,95 m2
54. WC damskie 3,61 / 3,95 m2
55. Klatka schodowa 23,62 / 25,24 m2
Przekrój






Informacje podstawowe
Technologia: tradycyjna
Ściany zewnętrzne: bloczki silikatowe 24 cm, styropian 20cm, tynk zewnętrzny
Stropy w budynku: żelbetowe
Kąt nachylenia dachu: 35°
Ogrzewanie: zewnętrzne źródło ciepła
Wentylacja: mechaniczna i grawitacyjna
Pokrycie dachu: blacha dachówkowa
Pokrycie dachu nad lukarnami: blacha dachowa łączona na rąbek stojący
Powierzchnia dachu: 1347,48 m2
Program:
Parter: hol wejściowy + recepcja, zaplecze recepcji, 3 klatki schodowe, biuro, korytarz, WC damskie / dla os. niepełnosprawnych, WC męskie, dużurka pielęgniarska, gabinet zabiegowy, pom. gospodarcze, 12 pokoi dwuosobowych, pralnia podręczna, gabinet terapeutyczny, łazienka, winda, magazyn bielizny, pom. techniczne elektryczne, pom. techniczne sanitarne, sala jadalna, rozdzielnia kelnerska, kuchnia, magazyn, szatnia personelu kuchni + WC
Poddasze: korytarz, 3 klatki schodowe, pokój wypoczynkowy personelu, winda, kuchnia pomocnicza, łazienka, szatnia personelu + WC, świetlica, WC męskie, WC damskie, 2 pokoje jednoosobowe, 17 pokoi dwuosobowych.
W budynku zaprojektowano również instalację fotowoltaiczną na dachu o mocy 17,28 kWp, która będzie generować prąd na potrzeby zasilania wentylacji mechanicznej, urządzeń pomocniczych do co i cwu oraz częściowo oświetlenia wbudowanego.
Koszty budowy sprawdź >>
Architekt: Ewa Ferfecka-Homola, Jaromir Mruk
Projekt ten został opracowany zgodnie z normami budowlanymi, w pełnym zakresie wymaganym dla projektów gotowych.
Zawartość projektu sprawdź szczegóły >>
Łączna zawartość obu projektów architektoniczno - budowlanego oraz projektu technicznego, które można zamówić razem lub osobno:
- projekt architektoniczny
- projekt konstrukcyjny
- projekt wewnętrznych instalacji sanitarnych (wod-kan, c.o, wentylacja mechaniczna)
- projekt wewnętrznej instalacji elektrycznej oraz instalacji odgromowej i fotowoltaicznej
- projektowana charakterystyka energetyczna budynku
- zgoda na zmiany w projekcie
- przedmiar robót
Parametry projektu
Ogólne kategorie, do których należy ten projekt
- Powierzchnia użytkowa (m²) 1000 - 2000
- Powierzchnia zabudowy (m²) 500 - 1000
- Kąt nachylenia dachu (°) 30 - 35
- Szerokość działki/krótszy bok (m) 40 - 50
- Wysokość budynku (m) 10 - 12
Podstawowe parametry projektu
- Powierzchnia użytkowa (m²) 1417.35
- Powierzchnia zabudowy (m²) 902.55
- Szerokość budynku/krótszy bok (m) 33.97
- Długość budynku/dłuższy bok (m) 46.86
- Wysokość budynku (m) 10.87
- Szerokość działki/krótszy bok (m) 42.47
- Kąt nachylenia dachu (°) 35
- Rodzaj dachu wielospadowy
- Piwnica bez podpiwniczenia
- Garaż bez garażu
- Poddasze poddasze użytkowe
- Liczba sypialni na parterze 11-15
Uzupełniające parametry projektu
- Rodzaj technologii* tradycyjna
- Strop w budynku* żelbetowy
- Pokrycie dachu* blachodachówka
- Kubatura (m³) 7647.50
- Liczba kondygnacji 2
- Rodzaj ogrzewania sieć ciepłownicza
- Wskaźnik energii pierwotnej (kWh/(m²·rok)) 12,46
- Instalacja fotowoltaiczna* tak
- Wentylacja* mechaniczna
- Liczba pomieszczeń 113
- Liczba wszystkich pokoi 31-40
- Liczba łazienek (bez WC) 31 - 40
Dodatkowe parametry projektu
- Winda w budynku tak
- Przystosowany dla osób niepełnosprawnych tak
- Garaż podziemny nie
- Pomieszczenie socjalne tak
* gwiazdką są oznaczone w parametrach projektu zmiany nieistotne, które nie wymagają przeprojektowania do pozwolenia zamiennego. Do każdego projektu dołączamy bezpłatną zgodę na wprowadzanie zarówno zmian istotnych jak i nieistotnych.
Darmowe dodatki do projektu
- 10 stylowych projektów ogrodzeń
- 10 projektów śmietników
- 5 projektów grilli z funkcją rusztu, kominka i wędzarni
- 6 projektów oczek wodnych
- 6 projektów altan
- 4 projekty huśtawek ogrodowych
- 4 projekty bud dla psów
- 4 projekty szamb o poj. 21,6 m3 / 14,6 m3 / 10 m3 i 6,4 m3
- 2 projekty przydomowej oczyszczalni ścieków. Jeden dla rodziny do 4 osób, drugi dla rodziny do 6 osób
- projekt przydomowej elektrowni wiatrowej
- schemat instalacji fotowoltaicznej
- projekty budek lęgowych dla kilkudziesięciu gatunków ptaków
- zgoda na wszelkie zmiany i adaptacje
Producentem projektu jest:

ul. Cystersów 7B, 31-553 Kraków
e-mail: kbprojekt@kbprojekt.pl
tel. 12 414 35 06
Pomocne informacje
Chcesz wprowadzić zmiany w tym projekcie?
Możemy dostosować go do Twoich potrzeb, napisz co chciałbyś w nim zmienić, przeprojektujemy go tak, aby w pełni odpowiadał Twoim oczekiwaniom
Chcesz dostosować ten projekt we własnym zakresie?
Sprawdź jakie zmiany są nieistotne czyli takie, ktore możesz wprowadzić na etapie budowy zobacz szczegóły >>
Nie możesz znaleźć odpowiedniego projektu?
Chętnie pomożemy. Zadzwoń do nas 12 410 49 70 lub skorzystaj z formularza kontaktowego dostępnego tutaj >>
Szukasz projektu dopasowanego do Twoich potrzeb?
Sprawdź naszą ofertę na projekty domów na indywidualne zamówienie w niezwykle atrakcyjnej cenie zobacz szczegóły >>
Potrzebujesz adaptacji projektu lub pomocy w załatwieniu formalności związanych z budową?
Nasze biuro architektoniczne oferuje pomoc w uzyskaniu pozwolenia na budowę a także wykonuje adaptacje projektów na terenie całej Polski zobacz szczegóły >>
Szukasz sprawdzonego kierownika budowy?
Oferujemy usługi naszych uprawnionych kierowników budowy, którzy przeprowadzą Cię przez cały proces budowlany, od uzyskania pozwolenia na budowę po finalne odbiory zobacz szczegóły >>
Opinie o tym projekcie
Jeśli dodałeś/-aś recenzję, a nie pojawiłą się na liście, być może oczekuje na moderację.